70GETEX
Well-Known Member
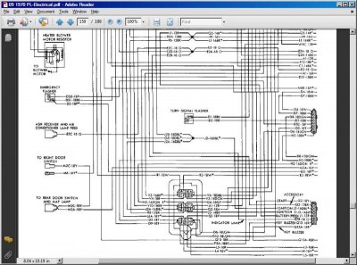
My 70 GTX wiring had been hacked up so bad I decided to replace the dash wiring harness. I bought a M&H from Year one and it looks like a brand new factory harness. I have about everything hooked up but the ignition switch wiring was all messed up.
Does anyone have a wiring diagram of where the wires should be in the ignition switch plug? A picture of a new ignition switch shows the big red & black wires seperate and not plugged into the plug, why is that?
thanks
Does anyone have a wiring diagram of where the wires should be in the ignition switch plug? A picture of a new ignition switch shows the big red & black wires seperate and not plugged into the plug, why is that?
thanks





















