• When you click on links to various merchants on this site and make a purchase, this can result in this site earning a commission. Affiliate programs and affiliations include, but are not limited to, the eBay Partner Network.

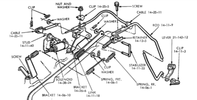
Edelbrock carb cable and return spring

From 73 manual.

Capture.PNG
 
Back
Top