ezcook
Member
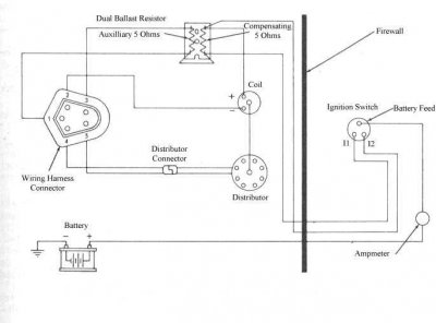
Here they are in all its glory.
- - - Updated - - -
Now I got her fired up for a sec then nothing...even a little starter fluid does nothing, damn lean burn system...if any body knows how to upgrade the system ect that will still pass Cali smog any info would be great, don't think the odds of finding a computer for her if it went out are good lol.
- - - Updated - - -
Now I got her fired up for a sec then nothing...even a little starter fluid does nothing, damn lean burn system...if any body knows how to upgrade the system ect that will still pass Cali smog any info would be great, don't think the odds of finding a computer for her if it went out are good lol.















