• When you click on links to various merchants on this site and make a purchase, this can result in this site earning a commission. Affiliate programs and affiliations include, but are not limited to, the eBay Partner Network.

finally was able to buy a house

Doing a quick google search, you should be able to sell this and buy a very decent rig. The mig attachment up top went for $300. And I saw the bottom unit go for over $1000.
 
way to go!!! im 50 years old and paid mortgage, ins, taxes etc for 30 yrs,, i just paid my house off this past week,, now my 66 satellite will get more money sunk into it lol!! so congrats!!
 
The bad news is that you CANT hook it up without using a 3 phase converter. And they can be pricey! A few hundred dollars at least! You might think about Craigslisting your unit, and use the money to buy a 240v, single phase unit. That one looks a little big for home and hot rod use anyways. Unless you do heavy welding on the side, a machine that handles up to 1/4" is the most you need as a hot rodder. The larger machines have trouble "dialing-in" for the thinner metals we use on most cars.

I have been considering that option. I would really like to keep this welder if I can make it work, It's a great welder and it does just fine on the thin stuff. Would this converter work? Thanks for all of the help.

http://www.ebay.com/itm/360159005585?ssPageName=STRK:MEWAX:IT&_trksid=p3984.m1423.l2648#ht_500wt_716


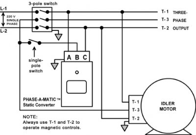
Or could I make one of these?

http://en.wikipedia.org/wiki/Scott-T_transformer
 
house

congrats, nothing feels better than own home sitting on your own throne. Now lets crack open some beer and get the garage in order:headbang:
 
That convertor is 3kva, = 3000 watts Watts, or power, equals volts x amps. That is about enough to power 2 hair driers! Much too small for your needs. To find the true demand of your welder, you take the voltage, and multiply it by the amperage [or current] to find the wattage. P = E x I. Power [expressed in watts] equals voltage times amperage. Wattage is a constant. So 240 volts as 15 amperes has the ability to do the same work of 120 volts at 30 amperes. Since the capacity of most inverters is expressed in kva, that is the number you will be looking for.
 
That convertor is 3kva, = 3000 watts Watts, or power, equals volts x amps. That is about enough to power 2 hair driers! Much too small for your needs. To find the true demand of your welder, you take the voltage, and multiply it by the amperage [or current] to find the wattage. P = E x I. Power [expressed in watts] equals voltage times amperage. Wattage is a constant. So 240 volts as 15 amperes has the ability to do the same work of 120 volts at 30 amperes. Since the capacity of most inverters is expressed in kva, that is the number you will be looking for.

since my last post I have done much research on phase converters. Generally they are rated in HP. I have found that I need to use a rotary style phase converter because static converters are used for low/constant loads. I did the math and found that I would need a 10 HP rotary phase converter to power my welder at 100%. I've also found that I can build a phase converter much cheaper then I can buy one. Today I bought an 8 HP 3 phase motor for 50 bucks, which should be able to run my welder up to 65% which is higher then I ever run it. And I plan to build this.
 

Attachments

  • phase converter wiring.jpg
    phase converter wiring.jpg
    39.1 KB · Views: 147
Kudos to you dude! Just for reference, one horsepower, expressed electrically, =746 watts. So at 8 horsepower, you have 5868 watts. Or 5.9 kva. I'm really impressed by your work work on this! Most folks dont know that that an electric motor, driven mechanically, is a generator!
 
Don't you have to spin that 3 phase motor with a single phase motor? I'm kinda with Scott on this one. That Hobart you got there is a REAL nice rig but probably way overkill for anything you're likely to use it for. You could probably sell it, buy a new one that's better suited to your needs and put a few bucks in your pocket at the same time. I think that phase converter's going to wind up getting a bit spendy by the time you're done.

I bought a little Lincoln mig welder. I went with the 110V machine so I wouldn't have to be married to a 220V power source. If I ever need to weld anything heavy I'll probably buy an inverter type stick welder.
 
Back
Top