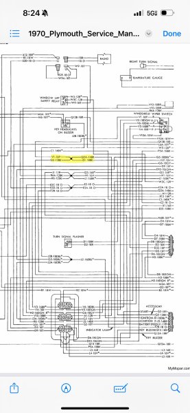
1970 RR new M&H dash wiring.(years old, just getting car running Have no power to the accessory side of the fuse box. I have power to the black wire on both sides of the connector on the steering column with the key in run and acc.
Kinda wondering if it’s this splice in the harness. Anyone else ever have this problem? Or anything else to look for before I remove the gauge cluster and cut apart a new harness?? The wipers do not work also. This is also a part of this splice.
Splice in the old harness.
Kinda wondering if it’s this splice in the harness. Anyone else ever have this problem? Or anything else to look for before I remove the gauge cluster and cut apart a new harness?? The wipers do not work also. This is also a part of this splice.














