Nacho-RT74
Well-Known Member
- Local time
- 10:26 AM
- Joined
- Oct 8, 2012
- Messages
- 6,884
- Reaction score
- 3,224
- Location
- Valencia, España
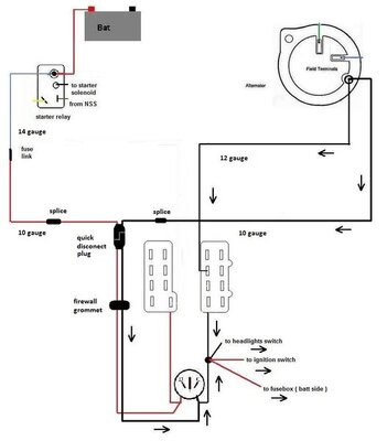
Ammeters were fine when these cars had reasonably new and clean (no rust/corrosion, etc.) bulkhead connectors. Best thing to do is by-pass that potential weak spot with a direct 6/8 ga. red line from Alt. to Bat. All accessories tapped into the wire from bulkhead to ammeter will stay put and work fine, but heavy bat. charging will flow through the new heavy line and not the bulkhead connector, saving a total melt-down.
And why no fix it to get it back to a new and clean conections? Just like when your engine belts get dryed or broken and you replace it for a new one!
when your brake pads get worn, you replace the pads, not the calipers or cylinders!
When your block gets worn, you overbore the cylinders and fit new pistons to the new size.
And I can go on with hundred of examples to ilustrate the same.
With a difference... fix wiring is way cheaper and easier than any of those examples. But most of ppl here is lazy enough to go for the laziest "fix", without even take care on understand how it works.
![IMG_20210925_100439454_HDR~2[1].jpg IMG_20210925_100439454_HDR~2[1].jpg](https://www.forbbodiesonly.com/moparforum/data/attachments/1126/1126683-5cc4e704ced2537c3c1325ac1d5c8d05.jpg?hash=XMTnBM7SU3)















