- Local time
- 9:40 AM
- Joined
- Jan 14, 2009
- Messages
- 2,284
- Reaction score
- 1,906
- Location
- Shoreline, Washington
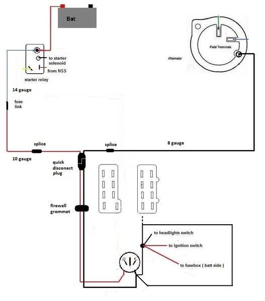
That is a 60amp alternator engine compartment wiring diagram. I think you are missing an important notation there. It clearly states that when a 60-amp alternator is used from the factory, the dash harness ammeter leads are not intended to be used, “Cut & Tape”. Not seeing a parallel charging path if it was assembled as indicated. Parallel circuits of any kind can be difficult to diagnose and manufactures normally avoid such circuit designs for that reason. Recalls are a different matter, fast and cheap. One dealer I worked for, at about that time, did a lot of work on state police fleet vehicles with factory upgraded alternators, never saw one of those that didn’t have the dash harness leads cut back and taped from the factory.














