volvo 4 life
Active Member
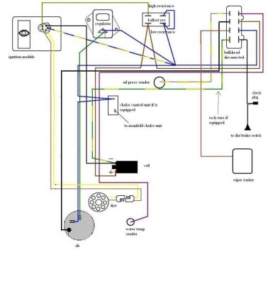
Hey everyone. I just signed up today. I just picked up a 73 charger with a 318 and 727 for $850. The car needs a complete restoration but is structurally solid, just missing a lot of parts. The distributor and all accessories are missing and I have a distributor in the mail. I'm very confused how it's supposed to be wired in. I know there is an ignition control module and a ballast resistor on the fire wall. Are these necessary to make the car run? And if so, what wires go from the distributor to the coil, the ignition control unit, resistor, 12 volt power, ground and so on? Thanks, and glad to be part of the forum!
















