• When you click on links to various merchants on this site and make a purchase, this can result in this site earning a commission. Affiliate programs and affiliations include, but are not limited to, the eBay Partner Network.

Bulk head connector

This guy definitely doesn’t know to read…

Whatever… won’t play this game anymore. Exhausting.
 
Last edited:
That's beyond my skill set lol I'm assuming you mean the fusible link that I have going from the starter solenoid and into the bulkhead. I can figure out which wire comes off the interior side, but if I get rid of it then I don't know how to get power to the gauge cluster.
Unless I'm just running my own, dedicated link/wire to the gauge cluster from the solenoid, and "going around the bulkhead", so to speak. Meaning I would cut the wire coming in, at the bulkhead/interior side, then connect the wire I have going to the ammeter now (I just wired that part up tonight) and, instead, connect it into the wire I just cut, leading to the gauge cluster.
So, I am then by passing the power going into the bulkhead fitting instead of running a parallel circuit.
I can figure that out, but then I don't know which wire to bypass coming back through the bulkhead
This is what I'm saying lol information is all over this forum and others. None of it's consolidated. It makes finding updated and proper information very difficult.
Before I run my wire from the ammeter back through the firewall and to the alternator, I will see if I can figure out the other wire going through the bulkhead from interior back into the engine compartment. If I can, I will get rid of those on either side and run my own wires.
Luckily, my gauge cluster's still out, so easy to make changes.
Thank you for the advice. I'll see if I can figure out how to do it.

t-feeding-COMPLETELLY-the-car-with-parallel-wires2.jpg
 
Making this you have the system protected as factory intended by just one fuse link. And with the propper alt, the moments the batt side will get high loads will be minimum, so you are still safe with just one path.

The dual path on alt side is just to not despite the existant one if still in good conditions, ASIDE get the main splice feeded by “two legs” so the splice sources will be reinforced. Keeping the existant one wouldn’t require more than 10 gauge on the parallel path.

Just MHO.
 
If you’re worried about the amp gauge getting hot and falling, the easiest way to bypass it is to take one lug off, and put them both on one stud. But yeah… the bulkhead connection is a bad design, even when new with the 35 amp alternator. I had a ‘69 Fury I PK41H9 VIN, Police package that the factory ran the high amperage wires thru a separate grommet with no bulkhead disconnect.
 
I hate to do this, but yes: another clarification post about all of this LOL. I've been reading multiple threads and links for about two weeks now. The info is scattered and some is written in a way that is tough to understand because some of the wordage used (english as a second language, etc). So, here I am.

I want to take some of the load off the bulkhead so it LOOKS like I want to:

1. Run a 10g wire, with 14g fusible link, from the starter relay, through a grommet in the fire wall, to the "battery" side of the ammeter.
2. Run an 8g wire from the "alternator" side of the ammeter, back through the grommet, then to the alternator pole.

This will take a lot of the load off the bulkhead, making it safter to operate with far less risk for overheating.

Does this sum it up? I'm looking to add wiring because I like having the ammeter as a reference point, along with the voltage display for the Sniper unit. I just don't want to melt stuff.

I assume bypassing the bulkhead would be even better, but I don't know how I'd get power to the gauge cluster otherwise, so I'll be happy with just taking some of the stress from it.

The picture, posted by a fellow member, that I'm using for reference:
You leave the stock black 12ga ammeter to splice 1 wire connected to the ammeter as original, this powers all the factory loads you seemed concerned with. As mentioned, only one run (one fusible link) from the battery to the ammeter, preferably not though the bulkhead disconnects.

Do not double up on the fusible link.

Another approach, upsized wiring, full bulkhead by-pass, "The Fleet By-pass".
6-Base Charging system diagram upgraded.png
 
Back in the day I was tired of the ammeter connector overheating. I drilled through the cavity and spliced a wire in. The connector is just to provide a convenient point to assemble on the line and disconnect for repairs. I bet your bulkhead is half melted along with the connectors corroded black. Not the correct way to repair or restore, but it works, is safer than short circuits, and is more fun than popping the hood to wiggle the harness to get the damn ol' Mopar started.
For the longest time I had thought that was the way the factory did it. When I got my road runner in 1977, it was already direct wired to the ammeter and I didn't know it was a mod.
 
You leave the stock black 12ga ammeter to splice 1 wire connected to the ammeter as original, this powers all the factory loads you seemed concerned with. As mentioned, only one run (one fusible link) from the battery to the ammeter, preferably not though the bulkhead disconnects.

Do not double up on the fusible link.

Another approach, upsized wiring, full bulkhead by-pass, "The Fleet By-pass".

I kinda have mine like that now. The exception is that the stock black and red wires are still connected to the ammeter. They still go through the bulkhead, but the OEM wire going from the starter relay to through the bulkhead is also a fusible link.

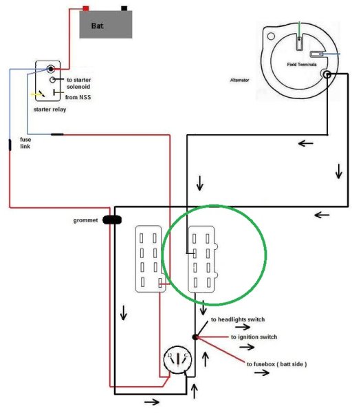
1. I understand that it's better to disconnect the OEM fusible link wire from the the starter solenoid, find where the wire continues into the interior via the bulkhead, and then cut it from wherever it splices into the interior harness. This avoids using the bulkhead for power from the starter relay. Then I take MY fusible link/8g wire and run it from the starter solenoid, though a grommet, then splice it where I cut the OEM wire that goes to the interior harness.
I can't find anyone to tell me I'm right there, but it makes sense.

2. Where I'm stuck is that I don't know which wire comes from the alternator through the bulkhead so that I can cut THAT wire from the interior harness, then splice MY 8g wire from there, though the grommet, then to the alternator.
Is it literally the one circled in green so that I can just look at the bulkhead and find the wire indicated? If so, that's super easy, I've just never had anyone actually say it.

I want to reiterate: I know VERY LITTLE about electrical, so learning this as I go. These diagrams make perfect sense in theory, I just don't know where all the wires are on the car.
If I can figure it all out, I'd be more than happy to make a "Dummy's Guide to the Fleet Bypass" or whatever so you guys don't have to spell it out to any more dummies. LOL

Thanks, again, for everyone who keeps replying to these threads, over and over. I do understand the theory and reasoning, just want to be sure I'm bypassing the right wires.


Fleet Bypass Edit.jpg
 
Last edited:
Here is my take on this entire situation.....

Back when our classic vehicles were designed and built the current load on the electrical system was MUCH LESS than we have demanded with modern accessories and modifications.

Hence the reason to upgrade the circuit design. If you also bypass the bulkhead connector original red and black wires, the diagram above is a GREAT way to provide parallel current flow to and from the battery as well as from the alternator to the the primary/accessory load demands. As shown in the diagram, connecting the battery feed (red wire) direct to the one side of the ammeter and the alternator feed (black wire) direct to the other ammeter terminal is the most positive point; allowing full benefit of parallel lines.

I've seen some suggestions eliminating dual fusible links (only running one) Don't see the logic in that. Fuses and fusible links are there to carry current and protect when over current conditions occur. Why would anyone do away with that protection.
 
I've seen some suggestions eliminating dual fusible links (only running one) Don't see the logic in that. Fuses and fusible links are there to carry current and protect when over current conditions occur. Why would anyone do away with that protection.
Here’s the logic, fusible links, or any circuit protection devices, of the same value connected in parallel as described will have a protection value close to twice as high as the original intended value. Will allow twice as much current to flow before either one opens if a short should occur at the ammeter or any where else in the un-fused portion of the factory charge/power circuit. Never parallel fuse or any circuit protection devices.
 
Last edited:
I've seen some suggestions eliminating dual fusible links (only running one) Don't see the logic in that. Fuses and fusible links are there to carry current and protect when over current conditions occur. Why would anyone do away with that protection.

Yes, I made my initial upgrade posts thinking on the full parallel systems including the fuse link, but later and after better analisys updated the thread I began with that info, I made a new and better suggestion about just keep the fuse link on the new path due the reason 72RoadrunnerGTX mentioned.
 
Last edited:
I kinda have mine like that now. The exception is that the stock black and red wires are still connected to the ammeter. They still go through the bulkhead, but the OEM wire going from the starter relay to through the bulkhead is also a fusible link.

1. I understand that it's better to disconnect the OEM fusible link wire from the the starter solenoid, find where the wire continues into the interior via the bulkhead, and then cut it from wherever it splices into the interior harness. This avoids using the bulkhead for power from the starter relay. Then I take MY fusible link/8g wire and run it from the starter solenoid, though a grommet, then splice it where I cut the OEM wire that goes to the interior harness.
I can't find anyone to tell me I'm right there, but it makes sense.

2. Where I'm stuck is that I don't know which wire comes from the alternator through the bulkhead so that I can cut THAT wire from the interior harness, then splice MY 8g wire from there, though the grommet, then to the alternator.
Is it literally the one circled in green so that I can just look at the bulkhead and find the wire indicated? If so, that's super easy, I've just never had anyone actually say it.

I want to reiterate: I know VERY LITTLE about electrical, so learning this as I go. These diagrams make perfect sense in theory, I just don't know where all the wires are on the car.
If I can figure it all out, I'd be more than happy to make a "Dummy's Guide to the Fleet Bypass" or whatever so you guys don't have to spell it out to any more dummies. LOL

Thanks, again, for everyone who keeps replying to these threads, over and over. I do understand the theory and reasoning, just want to be sure I'm bypassing the right wires.


View attachment 1674194


As I mentioned, I don’t see a reason to remove the existant black wire on bulkhead and simply add the extra one if is still in working order. My idea at least is keep the main splice getting power from both “legs” connected to the power line, the one from the amm which gets the parallel path, and the one from the bulkhead. That’s pretty much the same than also get the thicker path straight to the splice instead being used the ammeter stud as a junction.

Why that sugestion? If you run a 8 or 10 gauge path to the amm stud from the alt, the main splice is still getting the stock 12 gauge wire between amm and main splice. So the heavier gauge path is being reduced 1 or 2 sizes up to the splice.

Now keeping the stock one from alt, the power from alt is running up to the main splice with 2 12 gauge wires. True the packard terminals still offers some resistance but most of the load will be running throught the new wire will less resistance. However the stock one still helps.

Dunno if that sounds clear. Sorry if not

The red one thought, except if you intends to use the existant cavity for the red wire to another application, would be simply enough from to remove the full red wire from the engine bay side harness plug and keep the cab side wire in place. On 73/74 thats easy because the starter relay is just right above the brake booster getting a small red wire section easy to remove, but I understand the 71/72s get the relay at a side of the battery, so is a loooong wire taped into the harness. So remove just the fuse link is the easier method, keeping hanging around the red wire.
 
Last edited:
OOOOOOR you can also make this looping into the ammeter the wire originally running to the bulkhead into the cab

index.jpg





I made this sugestion sending the diagram on a private message with a member from dodgecharger.com and he added pics of their final job for his own car (69)

The 8 gauge wire he used up to the ammeter is becoming on dual 12 gauge wires up to the main splice. Pretty much what I want to mean when keeping the existant 12 gauge one from alt if still in working order, and being 10 gauge pretty much enough on the parallel path.
 
Last edited:
OOOOOOR you can also make this looping into the ammeter the wire originally running to the bulkhead into the cab

View attachment 1674600




I made this sugestion sending the diagram on a private message with a member from dodgecharger.com and he added pics of their final job for his own car (69)

The 8 gauge wire he used up to the ammeter is becoming on dual 12 gauge wires up to the main splice. Pretty much what I want to mean when keeping the existant 12 gauge one from alt if still in working order, and being 10 gauge pretty much enough on the parallel path.

Unless I'm missing something, that's what I have now. I have the factory wiring in place because it works, but since I added the Sniper 2, I wanted to take stress off the bulkhead so...
I now have an additional fusible link from the starter solenoid (sounds like I need to get rid of it, since the OEM feed has one) into a 10g wire that goes through a grommet, directly to the ammeter.
I also have a 10g wire, no fusible link, going from the alternator, through the same grommet, to the other side of the ammeter.
That is what the picture you posted shows, yes?


Fleet Bypass My Version.jpg
 
Unless I'm missing something, that's what I have now. I have the factory wiring in place because it works, but since I added the Sniper 2, I wanted to take stress off the bulkhead so...
I now have an additional fusible link from the starter solenoid (sounds like I need to get rid of it, since the OEM feed has one) into a 10g wire that goes through a grommet, directly to the ammeter.
I also have a 10g wire, no fusible link, going from the alternator, through the same grommet, to the other side of the ammeter.
That is what the picture you posted shows, yes?


View attachment 1674666
If you believe the dual fusible link theory then the diagram Nacho posted supplying the high load fan direct off the upgraded alternator source is by far the better choice.

I'd still add an inline fuse for the fan circuit. The way your diagram is now; there is absolutely no protection until power is pulled through the fuse panel. Way too many opportunities to smoke those wires!
 
If you believe the dual fusible link theory then the diagram Nacho posted supplying the high load fan direct off the upgraded alternator source is by far the better choice.

I'd still add an inline fuse for the fan circuit. The way your diagram is now; there is absolutely no protection until power is pulled through the fuse panel. Way too many opportunities to smoke those wires!

Gotcha. Which is the "fan circuit"? I don't seem that on my picture.
 
Gotcha. Which is the "fan circuit"? I don't seem that on my picture.
It's not on you diagram. Look up a few posts to the one Nacho posted. Most electric fans are real power hungry so by switching that load to the alternator output and adding the inline protection fuse you should see a considerable drop in what appears to be a charging rate but is actually fan power feed causing the ammeter faults reading.

If you are curious of the outcome, try a temporary hook up to satisfy your mind.
 
The fan deal is what another member from another board made on his 69 and added on the diagram I sent to him… where I illustrate the idea of reuse the existant wire in another way… looping back to the amm the existant bulkhead wire, to get reinforced the feed to the main splice with the dual existant 12 stock wires attached to the same amm stud which is getting the 8 gauge wire. This gives the capacity to get the full juice to the main splice the 8 gauge added wire is able to feed without a restriction given by a single smaller gauge wire between amm and stock main splice

Is virtually the same I do keeping the stock alternator wire from end to end, including the bulkhead path (as far is in working/perfect conditions) and adding just the parallel path. But I added a 10 gauge wire. No need for more if using both from end to end.

Now, did you spliced the stock alt 12 gauge wire on to the new wire somewhere along the engine bay side? That works too, but why bother about built a splice there if you have the easy junction point at alt stud? Just a matter of preference.


Red wire and fuse link… where my initial idea and build was make the full parallel path also on the batt side, after a better analysis and thinking on the fuse link function and how it works, better remove the existant red wire on engine bay side along with the fuse link (or just the fuse link) and just keep the new thicker wire path out of the bulkhead with new thicker fuse link. Single setup there.

Get two fuse links takes more time to blown, so more time feeding a hard short to burn anything.

On a heavy short, the only device really able to feed it is the batt, while the engine would stall, so then the alt will die, but the batt keeps alive the circuit. Hence why the fuse link is originally on batt side.

About the fan on diagram protection… that’s a diff discusion. And depending on fan specs, a even HIGHER alt capacity would be required.

I hope, once again, my redaction is quite understandable
 
Last edited:
It's not on you diagram. Look up a few posts to the one Nacho posted. Most electric fans are real power hungry so by switching that load to the alternator output and adding the inline protection fuse you should see a considerable drop in what appears to be a charging rate but is actually fan power feed causing the ammeter faults reading.

If you are curious of the outcome, try a temporary hook up to satisfy your mind.

I'm good. I just thought you were directing that post towards me and was confused since I don't have electric fans. :D
 
Back
Top